alter... ein glück habe ich das teil schon drin,
Zigarettenanzünder für den Kofferraum
Partner:
-
-
Die Nachrüstung ist ja absolut kein Problem. Einziger Unterschied ist, dass die nachgerüstete 12V-Steckdose über Dauerplus läuft und die ab Werk installierte über Zündungsplus.
-
Die Nachrüstung ist ja absolut kein Problem. Einziger Unterschied ist, dass die nachgerüstete 12V-Steckdose über Dauerplus läuft und die ab Werk installierte über Zündungsplus.
Dann kann man das Bier auch bei ausgeschaltetem Motor kühlen, SUPER!

-
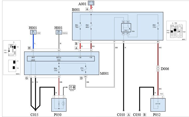
Großes Lob auch von mir an @Stella. Ich bin mal der Frage noch gegangen, warum die hintere Steckdose nicht über die Zündung geschaltet wird. Es ist wirklich interessant, dass die Handbücher nicht konsistent sind. Es ist so, dass ab 05/2018 der Stromplan sich geändert hat. Die Steckdose wird nicht über die F97 abgesichert. Es steht zwar auch so in meiner Betriebsanleitung drin, ist aber tatsächlich falsch. Nach E-learn muss eine Leitung direkt vom BDC zur Steckdose gelegt sein. Hier die Bilder dazu:
Der Stecker D006 sitzt hier:Wenn man über die F97 geht, dann müsste man ein Relais im hinteren Stromverteiler nachrüsten, so wie es vor 05/2018 bestückt wurde:
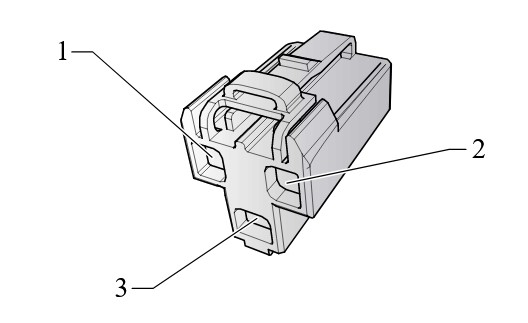
Der Stecker an der Stromdose sieht so aus:
Falls einer die Bestellnummer oder Bezugsmöglichkeit kennt, würde ich mich über ein Tipp freuen.
-
So noch ein Popcornthema. Bitte nicht falsch verstehen. Es geht um Löten oder Quetschen. Persönlich habe ich auch bisher gelötet und ging auch gut, aber Spoiler-Alarm, quetschen ist tatsächlich besser.
-
Großes Lob auch von mir an @Stella. Ich bin mal der Frage noch gegangen, warum die hintere Steckdose nicht über die Zündung geschaltet wird. Es ist wirklich interessant, dass die Handbücher nicht konsistent sind. Es ist so, dass ab 05/2018 der Stromplan sich geändert hat. Die Steckdose wird nicht über die F97 abgesichert. Es steht zwar auch so in meiner Betriebsanleitung drin, ist aber tatsächlich falsch.
Danke für die Lorbeeren, ich hatte hier exzellente Hilfe !

Im Übrigen hat die Batterie auch mit Kühlschrank am Dauerplus längere Pausenaufenthalte gut überstanden.
Über Nacht war natürlich der Stecker gezogen bzw. die Kühlbox nicht mehr im Wagen.
Popcornthema.
-
Ich finde Dauerplus an der Steckdose auch besser. Mal kurz parken und der Kühlschrank bleibt an, hat was, keine Frage.
Konnte mir nur nicht vorstellen, dass das so "richtig" ist, daher mein Nachforschen.
Vielleicht will der eine oder andere wissen, wie es "original" ist. That's all.

-
Der Stecker an der Stromdose sieht so aus:
Falls einer die Bestellnummer oder Bezugsmöglichkeit kennt, würde ich mich über ein Tipp freuen.Fiat Teile Nummern warum sollte der "alte" nicht passen ...? Matze hat den ja so aussehend als zusammenhängendes Teil hier auf Seite 2 eingestellt: Zigarettenanzünder für den Kofferraum neuerdings gibt es den Stecker vielleicht einzeln, was früher nicht so war...
-
Ich meine den Elektrostecker, also den 3-Pin Stecker

-
Ich finde Dauerplus an der Steckdose auch besser. Mal kurz parken und der Kühlschrank bleibt an, hat was, keine Frage.
Konnte mir nur nicht vorstellen, dass das so "richtig" ist, daher mein Nachforschen.
Vielleicht will der eine oder andere wissen, wie es "original" ist. That's all.
Das war das erste, was ich beim Durchmessen festgestellt habe: Die Steckdose ab Werk läuft über Zündungsplus, die Nachrüstdose läuft über Dauerplus, da der komplette Sicherungskasten im Kofferraum Dauerplus führt. Geschaltet ist dort nichts. -
Die 12 Volt Steckdose im Kofferraum ist bei mir serienmäßig verbaut.
-
Und es wäre kein Problem, wenn nicht...
Ich denke, die drei Teile kriegt sogar meine Oma angeschlossen, wenn man sich eine dieser Steckdosen
aus der großen Garagenkiste greift, wo die Kabel schon dran sind. Öse ab und einmal Sicherungshalter oder (wer den nicht da hat) kleinen Stecker dran:
Wenn man eine andere Steckdose nimmt, ist es 4x zu Crimpen, aber das Kabel kann man dann abstecken (besser., IMHO):
Dank der Mädels und Jungs, die hier das schon mal vorgezeigt haben, sind es ein paar Euro Geld und etwas Zeit.Nur bei mir wird es (wie so oft) schwieriger, da ich die Dose mit der Öffnung nach oben brauche, um Akku-Taschenlampe einzustecken. Die Mädels brauchen noch eine USB-Dose (die ich nicht ohne einen Schalter einsetzen werde) und ich hätte gern auf der gegenüberliegenden Seite auch noch eine Kofferraumleuchte... da reichen dann keine 10 Euro fürs Material mehr...
LG
Tina -
Und es wäre kein Problem, wenn nicht...
Ich denke, die drei Teile kriegt sogar meine Oma angeschlossen, wenn man sich eine dieser Steckdosen
....LG
TinaMit solchen Äußerungen sei sparsam.

Im Haus meiner Großeltern lagen noch braun/schwarz/rote Kabel....also meine Oma hätte dir das recht „kreativ“ angeschlossen.
-
jupp
Liegt tot bei mir in den Wänden in dünnen Metallrohren
-
Schon gut Jungs
... okay-okay. Ich ersetze Oma durch größte Tochter. Die würde zwar auch nix mit den alten Alukabeln vom Walter Ulbricht anfangen können, hat ihr Mofa aber immerhin auf über 70 Sachen ohne Mamas Zutun gebracht - das sollte passen, um einen Sicherungshalter anzucrimpen und eine Öse an Masse zu schrauben. Durch ihre Langfinger bräuchte meine Große wohl auch keine Verkleidung abzubauen. Die schraubt die Dose oben durch die Öffnung der Kofferraumleuchte an und unten am Sicherungskasten käme das schlanke Kind sowieso an alles dran
. -
jupp
Liegt tot bei mir in den Wänden in dünnen Metallrohren
ah...stimmt, weiß/grau war auch dabei.....rot war übrigens Erde.
-
Ich finde Dauerplus an der Steckdose auch besser. Mal kurz parken und der Kühlschrank bleibt an, hat was, keine Frage.
....Hab mir so jedes Jahr in Wegberg auf'm Festival die Batterie leer gesaugt.
"Der letzte macht das Licht aus" klappt halt nicht immer so wenn ordentlich Flüssignahrung im Spiel ist.
Von daher....hat alles sein für und wieder, auf dem Platz hat halt gleich der Nachbar Starthilfe geben können, passiert dir das in "der Wildnis" beim einsamen Campen ist doof.
Wobei heute gibt es ja die Powerbanks, kann man dann ja auch im Kofferaum mitführen für alle Fälle.
Genial wäre Dauerplus mit Zeitschaltuhr zwischengeschaltet oder Spannungswächter der zu macht bevor die Batterie zu tief entläd...aber wahrscheinlich gibt es das alles schon. -
... oder Spannungswächter der zu macht bevor die Batterie zu tief entläd...aber wahrscheinlich gibt es das alles schon.
richtisch, gibt es jetzt

-
Hier wurde alles schon netterweise super erklärt, daher hier nur ein paar Bildchen von Tinas Ausführung - angepasst an meine beiden medienabhängigen Rückbank-Benutzerinnen, die weniger eine Kühlbox benötigen, als vielmehr die kleinen quadratischen 5V-Buchsen...
- wie üblich 12V-Dose an 1,5qmm-Kabel mit Dauerplus am vorgesehenen Sicherungsplatz und daran 1x 3A-USB-Dose abschaltbar
- 1x 3A-USB-Dose an 1qmm-Kabel am Sicherungsplatz der bei mir nicht vorhandenen Lordosenstütze -
Heute haben die Autodoktoren auf Vox mal wieder 2 beschädigte Kabel an einem älteren Ford Fiesta gelötet und mit Schrumpfschlauch (erhitzt mit Feuerzeug) isoliert. Völlig korrekt. Das nur mal so am Rand, wegen der Unkenrufe, dass man am Auto keine Kabel lötet.

Jetzt mitmachen!
Sie haben noch kein Benutzerkonto auf unserer Seite? Registrieren Sie sich kostenlos und nehmen Sie an unserer Community teil!